
发卖:19224886408
发卖:17346546283
传统手工艺:18611287598
传真机:010-68465926
Q Q:3226344213
油箱:info@mayake.com
单位地址:天津市海淀区大慧寺3号北区20号楼那层105室


一、概述:
GOLDS-10AL型机光铝水液位计需用于对各个工程状况下的铝水液面间距停掉测量。● 开关量、摹拟量电(dian)压♏或电(dian)流(liu)三种旌旗灯ꦡ号输(shu)入体(ti)例
● 丈量(liang)精度<±2mm,分辩率1mm
● 利用白色可见激光束,丈量规(gui)模可达10米(mi)
● 四位(w🃏ei)数(shu)码显现,按键(jian)设(she)置参(ca﷽n)数(shu),易于操纵
♔ ● 产业✤(ye)级(ji)外壳,规范快(kuai)插(cha)接口,可通紧缩氛围冷(leng)却(que)
二、手艺数据:
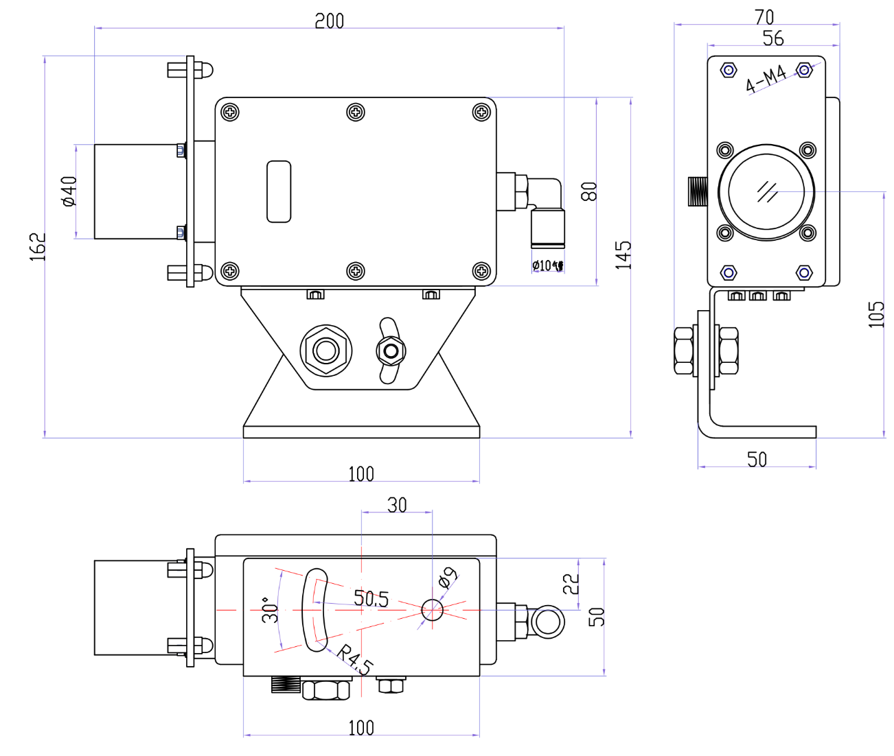
三、形状尺寸:
四、可选附件:



